
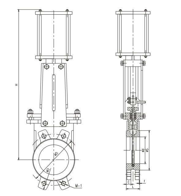
【电动刀型闸阀】行业的发展:
电动刀型从八十年代进入我国。在不到二十年的时间里,其使用范围从普通领域扩展到了更为广阔的各行各业。电动刀型从矿山电厂的选煤、排矸、排渣。发展到了城市的污水处理,从一般的工业管道发展到了食品、卫生、医药等专业管道系统。型的刀闸阀以其体积小、流阻小、重量轻、易安装、易拆卸等优点解决了普通闸阀、平板闸阀、球阀、截止阀、调节阀、蝶阀等类阀门的流阻大、重量大、安装难、占地面积大等的疑难问题。刀闸阀出现后,大量的通用切断类阀门和调节阀门已被之取代。到,刀闸阀用量大的是和。


联系人:金相志
销售热线:0577-67370378
0577-21815088
手机:18658737087
传真:0577-67377166
企业QQ:2880822007 2880822008 2880822002
地址:浙江省永嘉县瓯北镇三桥工业园林浦路
邮箱:sale@guanlivalve.com

【电动刀型闸阀】行业的发展:
电动刀型从八十年代进入我国。在不到二十年的时间里,其使用范围从普通领域扩展到了更为广阔的各行各业。电动刀型从矿山电厂的选煤、排矸、排渣。发展到了城市的污水处理,从一般的工业管道发展到了食品、卫生、医药等专业管道系统。型的刀闸阀以其体积小、流阻小、重量轻、易安装、易拆卸等优点解决了普通闸阀、平板闸阀、球阀、截止阀、调节阀、蝶阀等类阀门的流阻大、重量大、安装难、占地面积大等的疑难问题。刀闸阀出现后,大量的通用切断类阀门和调节阀门已被之取代。到,刀闸阀用量大的是和。

